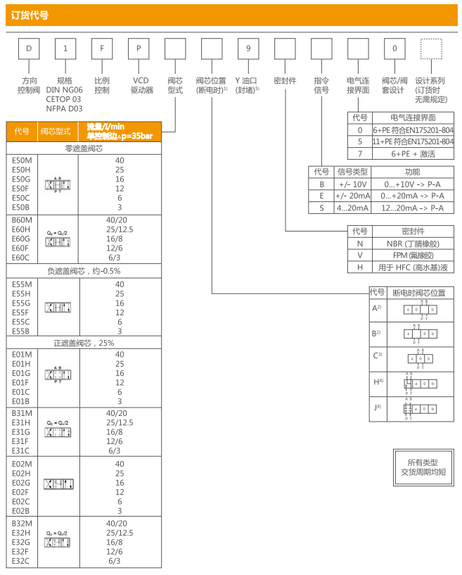
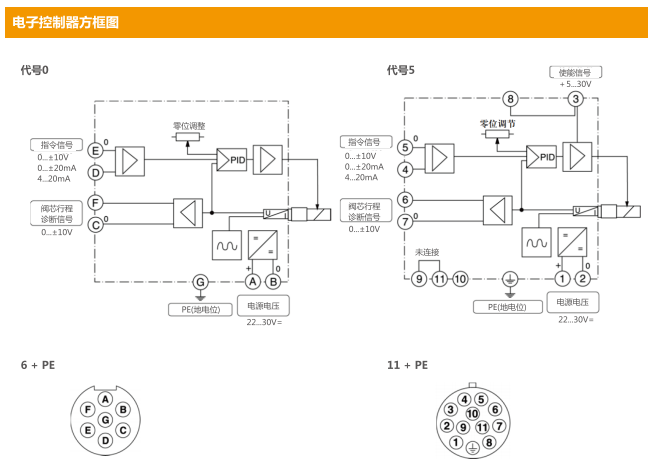
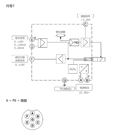
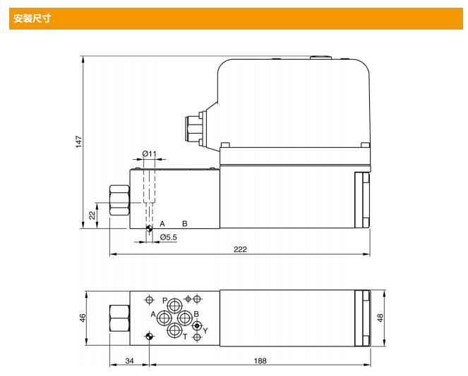
D1FP系列电磁比例方向阀 技术特征: ·真正的伺服阀动态特性(-3dB/350 Hz,5%输入信号下) ·在整阀压降达350bar的工况下仍无流量限制 ·回油口最高压力350bar(带外泄油口Y的型式) ·通流能力大 ·断电时阀芯回复至规定的位置-可选P-A/B-T或P-B/A-T ·或中位(对正遮盖阀芯) ·阀载电子控制器 公称规格为NG06(CETOPO3)的D1FP系列直动式比例方向控制阀在最大通流流量下仍具有极好的动态特性,适用于极高精度的液压位移、压力与速度控制。D1FP比例阀采用新型的专利VCD驱动器驱动,达到了真正的伺服阀频率响应,与电磁铁驱动的比例阀相比较,该型阀还可在阀的压降达350 bar的工况下使用。由于D1FP阀的大流通能力,在某些场合可替代NG10规格的阀。该型阀在断电时,其阀芯将回复至一个规定的位置。所有常用类型的指令信号对该型阀均适用。










