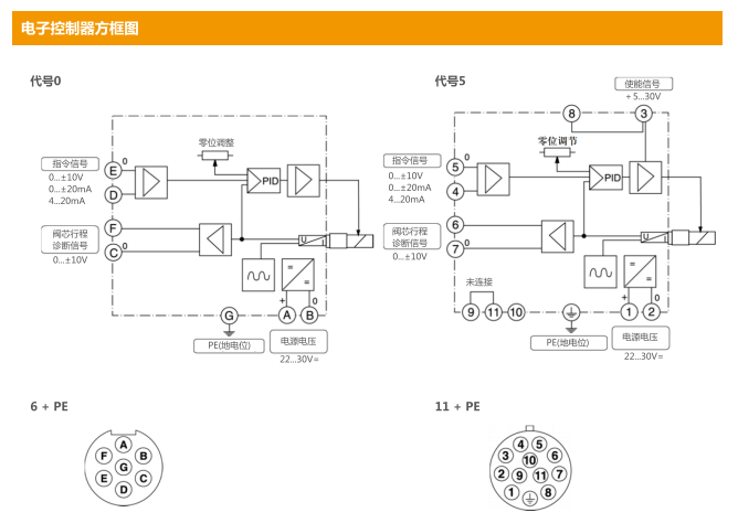
D3FP系列电磁比例方向阀 技术特征: ·真正的伺服阀动态特性(-3dB/350 Hz,5%输入信号下) ·回油口最高压力350bar(带外泄油口Y的型式) ·断电时阀芯回复至规定的位置-可选P-A/B-T或P-B/A-T 或中间位置(对正遮盖阀芯) ·阀载电子控制器 ·阀芯/阀套设计 公称规格为NG10(CETOPO5)的D3FP系列直动式比例方向控制阀在大流量下仍具有极好的动态特性,适用于极高精度的液压位置控制,以及压力与速度控制。 该系列阀由新型的专利VCD%驱动器驱动,能达到实际伺服阀的频率响应。 该型阀在断电时,其阀芯将回复至一个规定的位置。所有常用类型的指令信号对该型阀均适用。










