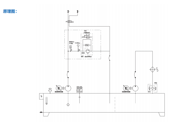
结构紧凑,集成化程度高 噪音≤60dB(操作环境更加舒适) 压力闭环调节 伺服电机驱动齿轮泵

注意事项 ◆ 静音伺服油源已经在工厂内进行严格的试验和性能检查,不允许任何修改或改动,否则保修失效。 ◆ 只能由制造商或授权的专业人员进行油源的维修。对于客户自行进行的任何维修,我公司将不承担任何的保修责任。 优势特点 伺服静音油源的噪音值不超过60dB 针对油源噪音的来源我们采取如下的降噪措施: ◆ 采用电机泵组一体式降噪措施。 ◆ 所有管路均采用声学处理结构降低流体噪音。 高效节能 ◆ 当设定压力达到要求时,通过泄漏量非常小的电磁截止阀保压,泵工作在卸荷状态,既节省能耗,还可以减少发热量。 油源外形参数 ◆ 长:800 ◆ 宽:500 ◆ 高:900



